マイコンで LED の明るさ制御や DC モータの回転数制御に使われるのが PWM(Pulse Width Modulation)制御です。デジタル電源の電圧制御にも使われています。
1. PWM 制御とは
なぜ PWM 制御で LED の明るさや DC モータの回転数制御ができるのでしょうか。LED は流す電流に比例して明るさが変わりますし、DC モータも電流に比例して回転数が変わります。つまり、PWM 制御では PWM 信号によって電流を制御しています。これは PWM 信号が図1のようにデューティ比により平均電流が可変できるからです。
図1:PWM による電流制御
このようにPWM制御で電流を連続的に可変できますが、パルス信号であるが故の問題があり、使い方に注意が必要です。
2. LED の PWM 制御で留意すべき点
LEDの明るさをPWMで制御する場合に留意することは次のようなことです。
(1) PWM信号の平均をしているのは人間の眼の網膜の方
網膜の応答速度が60Hzから90Hzと遅いため、高周波PWMは時間的に平均化され、数100Hz以上であればフリッカーは知覚されません。このため通常は数100Hzから数kHz程度の周期で十分です。
(2) MOSFETドライバの追加が必要
マイコンで直接駆動できる電流は数mAから10mA程度です。しかも電流が増えるにつれ、出力電圧が下がる傾向にあります。このため、十分に駆動するためにはMOSFETによるドライバが必要です。特にPowerLEDの場合は必須となります。バイポーラトランジスタは発熱しますから避けた方がよいでしょう。
MOSFETを使う場合、最も基本の回路が図-2となりますが、この場合R6のようにゲートを抵抗でプルダウンしておきます。これでマイコンがリセットや電源オン時に出力ピンがハイインピーダンス状態になったとき、MOSFETをオフ状態にしてくれますから、余計な動作をせず安定な動作となります。
図3:MOSFETドライバの使い方
(3) 電流が大きくなる場合は電源、グランド設計が重要
PWMは高周波スイッチング信号ですから、共通インピーダンスにより発生するノイズや誤動作対策が必須です。電源やグランドとの接続を専用パターンとして他の回路から独立にすることが重要です。さらに電源ラインには大きめのデカップリングコンデンサを配置します。
(4) 発熱に注意
特にPowerLEDを使う場合には、発熱対策を十分にする必要があります。放熱器付きのLEDを使うなど放熱対策が容易なデバイスを選択する必要があります。
2. DCモータ制御の場合
DCモータをPWM制御する場合に注意すべきことは次のようなこととなります。
(1) PWMの周期に注意
20kHz以下の可聴域のPWM周期とするとキーンという音がでるため、通常は20kHz以上にしますが、高い周波数ほどコイルの応答速度が影響してロスが大きくなります。モータ特性を含めて最適な周期を決める必要があります。
またデューティ比を変える場合には、周期の途中で変えるとモータ動作が乱れることがありますから、周期の境界で変えるようにします。
(2) ドライバが必須、逆起電圧に注意
モータ電流は大電流ですから、MOSFETや専用のドライバが必須となります。いずれの場合もスイッチングロスが発生しますから、使う素子には周波数特性の良いものを使う必要があります。
また重要なことは、モータを含めコイル素子を含むデバイスを駆動する場合には、図-3のようにD3のダイオードをコイルの直近に接続する必要があります。これはモータ駆動をオフする瞬間にコイル両端に高い電圧の逆起電圧が発生します。これによりMOSFETが壊れたり、ノイズによりマイコンが誤動作したりすることがあります。このD3のダイオードにより逆起電圧をショートすることで吸収します。これで逆起電圧の悪影響をなくすことができます。
図3:モータドライブ
(3) 電源のグランドの設計が重要
モータ制御には大電流が必要で、しかも高周波スイッチングになりますからパターン設計に注意が必要です。共通インピーダンスが構成されないようにし、電源には大容量のデカップリングコンデンサを追加します。
(4) 電磁ノイズ対策が必要
高周波スイッチングによる電磁ノイズが発生しますから、配線が伸びる場合には、必要に応じてフェライトビーズやLCフィルタを挿入します。
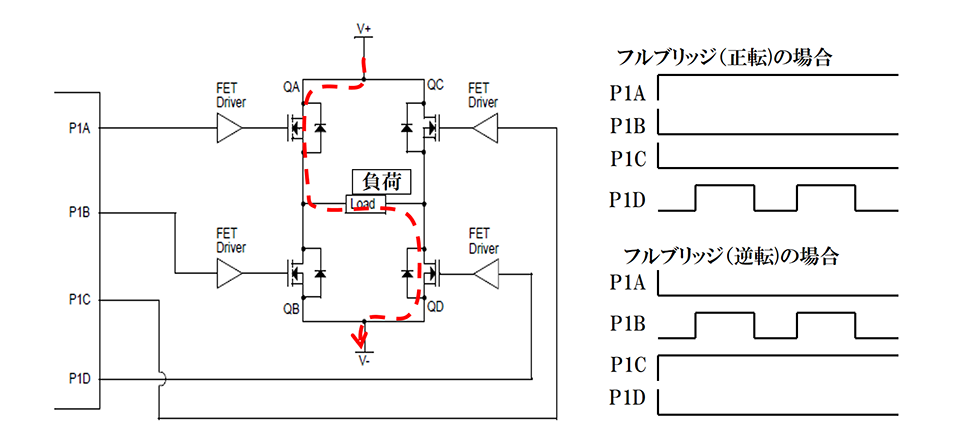
(5) Hブリッジで回転方向制御する場合はデッドタイムが必須
図4のように、Hブリッジ(フルブリッジ)回路でモータの回転方向の切り替え制御をする場合、例えば図のようにQAとQDをオンにしている状態から、QCとQBをオンする状態に切り替えるとき、いきなり切り替えると、各トランジスタの動作遅れによりQAとQB、QCとQDが瞬間ですがオンになる状態が発生します。このときには電源とグランドをショートした状態になりますから、貫通電流として大電流が流れてしまいます。
このような状態を避けるため、切り替えるタイミングで短時間の全トランジスタをオフにしたデッドタイムを設けて、貫通電流が流れないようにする必要があります。
図4:フルブリッジの回路構成
以上がマイコンでPWM制御をする場合の留意事項です。マイコン(MCU)システム開発入門編については、今回で終了となります。
PDF 資料請求
特別連載_MCU_10:PWM制御を使う場合の留意点
著者プロフィール
後閑 哲也 Tetsuya Gokan
| 経歴 |
1971年 東北大学卒業後 大手通信機メーカにて各種の制御装置を開発 2003年 有限会社マイクロチップ・デザインラボ設立 |
|---|---|
| 現在の活動 |
|
| 書籍 (技術評論社) |
|
特別連載「マイコン(MCU)システム開発入門編」リンク
- 第1回: 組み込みシステムのシステム設計とは
- 第2回: ハードウェア設計方法
- 第3回: ソフトウェア設計方法
- 第4回: マイコンのハードウェア設計留意点
- 第5回: デジタル入出力インターフェースの設計留意点
- 第6回: アナログ入出力インターフェースの設計留意点
- 第7回: シリアル通信概要と UART を使う場合の留意点
- 第8回: I2C 通信を使う場合の留意点
- 第9回: SPI 通信を使う場合の留意点
- 第10回:PWM 制御を使う場合の留意点

